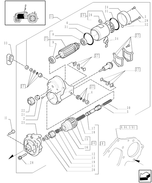
T3040-0.36.0/02 - STARTER ATTACHING GROUP (T3040)

New Holland

SKU:
T3040-0.36.0/02
Availability:
DIAGRAM

Product Overview

Diagram of all the parts for the T3040-0.36.0/02 - STARTER ATTACHING GROUP (T3040) at BRIM:Parts.