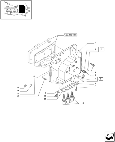
Product Overview Diagram of all the parts for the T6010 PLUS-1.29.0/02[02] - VAR - 330283 - TRANSMISSION 16X16 (40 KM/H) SPS - TRANSMISSION VALVE BLOCK at BRIM:Parts.
New Holland T6010 PLUS-1.28.1/02[02] - VAR - 330283, 331289 - TRANSMISSION 16X16 (40 KM/H) SPS - GEARSHIFTS GEARS
New Holland T6010 PLUS-1.28.1/02[01] - VAR - 330283 - TRANSMISSION 16X16 (40 KM/H) SPS - GEARSHIFTS GEARS
New Holland T6010 PLUS-1.32.1/02[02] - VAR - 330283, 331289 - TRANSMISSION 16X16 (40 KM/H) SPS - PINION AND CROWN GEAR
New Holland T6010 PLUS-1.29.0/02[01] - VAR - 330283 - TRANSMISSION 16X16 (40 KM/H) SPS - C1/C4 CLUTCH LUBRICATION OIL JOINTS