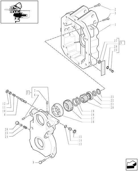
Product Overview Diagram of all the parts for the T6010 PLUS-1.80.1[01] - STD - POWER TAKE-OFF 540/1000 RPM - CASING, GEARS AND SUPPORT at BRIM:Parts.
New Holland T6010 PLUS-1.80.1/01[01] - STD - POWER TAKE-OFF 540/750/1000 RPM - CASING, GEARS AND SUPPORT
New Holland T6010 PLUS-1.80.1/01[02] - STD - POWER TAKE-OFF 540/750/1000 RPM - GUARD, GEARS AND SHAFT