Product Overview Diagram of all the parts for the T6010 PLUS-1.82.8/02 - VAR - 331840, 333840, 330900, 331914 - MDC FOR AUTOMATIC PICK UP HITCH - LIFT BOOMS at BRIM:Parts.
New Holland T6010 PLUS-1.82.1/08[01A] - VAR - 330840, 331840, 332840, 333840, 330900, 331914 - SUPPLEMENTARY CYLINDERS (50MM.) - HYDRAULIC LIFT PIPES - D6562
New Holland T6010 PLUS-1.82.1/08[01] - VAR - 330840, 331840, 332840, 333840, 330900, 331914 - SUPPLEMENTARY CYLINDERS (50MM.) - HYDRAULIC LIFT PIPES - C6562
New Holland T6010 PLUS-1.82.6/03[02] - VAR - 330840, 331840, 331914 - MDC FOR HEAVY DUTY AXLE - HYDRAULIC LIFT INNER CYLINDER
New Holland T6010 PLUS-1.96.1/02[03] - VAR - 330840, 331840, 331914 - MDC FOR HEAVY DUTY AXLE - LIFT-O-MATIC CONTROL
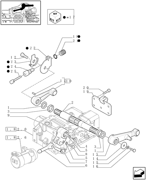
New Holland T6010 PLUS-1.96.1/02[01] - VAR - 330840, 331840, 331914 - MDC FOR HEAVY DUTY AXLE - HYDRAULIC LIFT OUTER CONTROLS