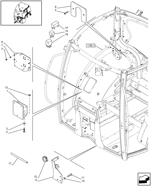
Product Overview Diagram of all the parts for the T6010 PLUS-1.91.4/14[01] - 330500-1-2-3-4-5-6-7-8-9-10-1-2-3-4-5-6-7,330520,330576,330610,330612,330618-9,331609,331610-2,331618-9,332618, SUPPORT, RELAY, SWITCH at BRIM:Parts.
New Holland T6010 PLUS-1.91.4/14[02] - 330500-1-2-3-4-5-6-7-8-9-10-1-2-3-4-5-6-7,330520,330576,330610,330612,330618-9,331609,331610-2,331618-9,332618, CIGARETTE LIGHTER, SOCKET, CAB
New Holland T6010 PLUS-1.82.1/06[01] - VAR - 332849, 334844, 335845 - 2/3/4 CONTROL VALVES CCLS (MDC) - LIFTER, LINES