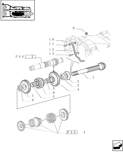
TM120-1.28.1[03] - 20X16 MECHANICAL GEAR BOX (40 KM/H) / TRANSMISSION GEARS

New Holland

SKU:
TM120-1.28.1[03]

Product Overview

Diagram of all the parts for the TM120-1.28.1[03] - 20X16 MECHANICAL GEAR BOX (40 KM/H) / TRANSMISSION GEARS at BRIM:Parts.