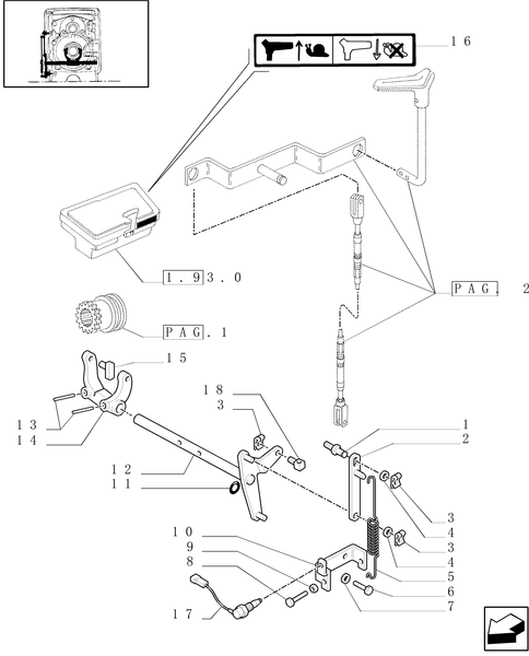
Product Overview Diagram of all the parts for the TM140-1.32.3/01[03] - (VAR.117-448) CREEPER TRANSMISSION FOR SEMI POWER SHIFT - CONTROL REDUCTION at BRIM:Parts.
New Holland TM140-1.32.3/01[01] - (VAR.117) CREEPER TRANSMISSION FOR SEMI POWER SHIFT - CONTROL REDUCTION
New Holland TM120-1.32.3/01[03] - (VAR.117-448) CREEPER TRANSMISSION FOR SEMI POWER SHIFT - CONTROL REDUCTION
New Holland TM140-1.32.3[01] - (VAR.111-448) CREEPER TRANSMISSION WITH SEMI POWER SHIFT - CONTROL REDUCTION
New Holland TM140-1.32.3/01[02] - (VAR.117) CREEPER TRANSMISSION FOR SEMI POWER SHIFT - CONTROL REDUCTION
New Holland TM140-1.32.3[02] - (VAR.111-448) CREEPER TRANSMISSION WITH SEMI POWER SHIFT - CONTROL REDUCTION