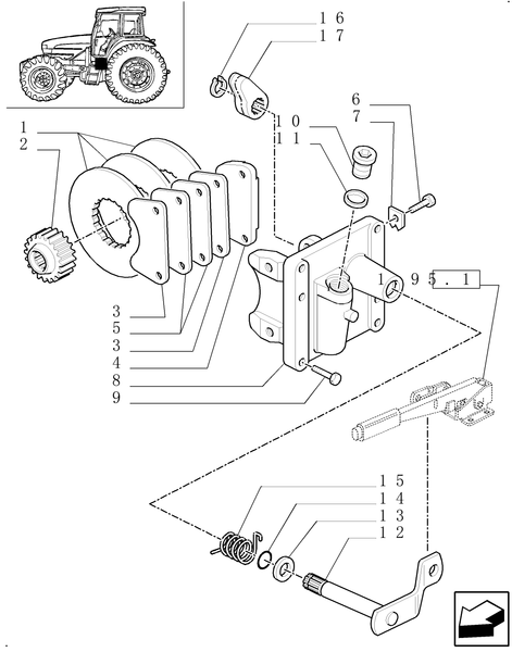
TM140-1.65.5[01] - PARKING BRAKE - C4806

New Holland

SKU:
TM140-1.65.5[01]
Availability:
DIAGRAM

Product Overview

Diagram of all the parts for the TM140-1.65.5[01] - PARKING BRAKE - C4806 at BRIM:Parts.