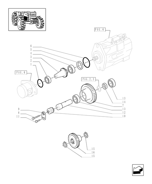
TM175-1.32.8/02[01] - PUMPS FOR HYDRAULIC SYSTEM AND LIFT

New Holland

SKU:
TM175-1.32.8/02[01]
Availability:
DIAGRAM

Product Overview

Diagram of all the parts for the TM175-1.32.8/02[01] - PUMPS FOR HYDRAULIC SYSTEM AND LIFT at BRIM:Parts.