Workmaster 70-21.112.AC[02] - TRANSMISSION, GEAR SET, SYNCHROMESH - USE FROM MODEL YEAR 2017

New Holland

$0.00
SKU:
WORKMASTER 70-21.112.AC[02]

Product Overview

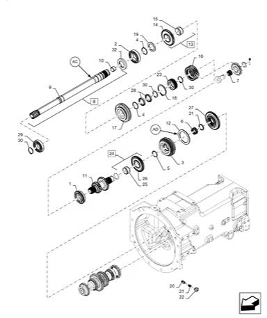
Diagram of all the parts for the Workmaster 70-21.112.AC[02] - VAR - 337882081, 337882082, 337882083, 337885081, 337936081, 337936082, 337936083, 338176081, 338176082, TRANSMISSION, GEAR SET, SYNCHROMESH, 338176083, 338177082, 338177083, 338177084, 348296081, 348297081, 449052016, 449193016, USE FROM MY 17 ; (Var) 337882081, 337882082, 337882083, 337885081, 337936081, 337936082, 337936083, 338176081, 338176082, 338176083, 338177082, 338177083, 338177084, 348296081, 348297081, 449052016, 449193016, 449229006, 449229016, 449230016, 449231016, 449232016, 449255016, 449261016, 449266016, 449267016, 449268016, 449269016 at BRIM:Parts.